【原理动图】电气控制原理动图22张

今天从低压电器、电动机及控制线路、传感器及控制原理三部分来分享22张超赞的原理动图。

低压电器部分

1

按钮开关

【原理动图】电气控制原理动图22张

2

闸刀开关

【原理动图】电气控制原理动图22张

3

行程开关

【原理动图】电气控制原理动图22张

展开全文

4

交流接触器

【原理动图】电气控制原理动图22张

5

热继电器

【原理动图】电气控制原理动图22张

6

时间继电器

【原理动图】电气控制原理动图22张

【原理动图】电气控制原理动图22张

7

速度继电器

【原理动图】电气控制原理动图22张

电动机及控制线路

1

异步电动机

【原理动图】电气控制原理动图22张

2

直流电动机

【原理动图】电气控制原理动图22张

3

步进电动机

【原理动图】电气控制原理动图22张

4

永磁电机

【原理动图】电气控制原理动图22张

5

正反转控制

【原理动图】电气控制原理动图22张

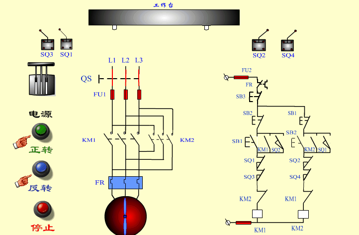
6

自动往返控制

【原理动图】电气控制原理动图22张

7

顺序控制

【原理动图】电气控制原理动图22张

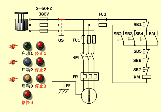
8

多点控制

【原理动图】电气控制原理动图22张

9

星三角启动

【原理动图】电气控制原理动图22张

传感及控制原理

1

布料张力测量

【原理动图】电气控制原理动图22张

2

MQN型气敏电阻

【原理动图】电气控制原理动图22张

3

气泡式水平仪

【原理动图】电气控制原理动图22张

4

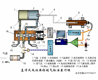
直滑式电位器控制气缸活塞行程

【原理动图】电气控制原理动图22张

5

电容加速度传感器

【原理动图】电气控制原理动图22张

文章来源于机械自动化圈子,转载旨在分享,如有侵权请联系删除。

免责声明:自媒体综合提供的内容均源自自媒体,版权归原作者所有,转载请联系原作者并获许可。文章观点仅代表作者本人,不代表环球物理立场。

环球物理

ID:huanqiuwuli

环球物理,以物理学习为主题,以传播物理文化为己任。专业于物理,致力于物理!以激发学习者学习物理的兴趣为目标,分享物理的智慧,学会用物理思维去思考问题,为大家展现一个有趣,丰富多彩的,神奇的物理。

投稿请联系 14511055@qq.com

评论